陶瓷阀门

陶瓷蝶阀
上一个:无

陶瓷蝶阀

上一个:无

产品详情

技术参数

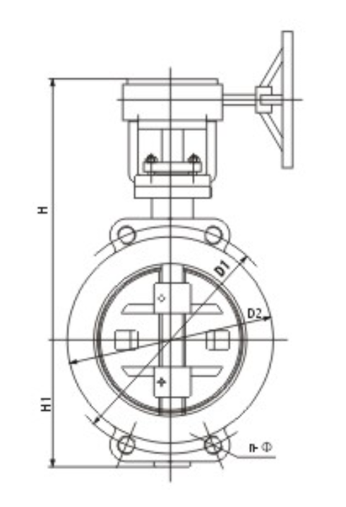
      产品型号:D343TC-10C

      公称通径:DN15-200 mm

      压力范围:PN1.0-10.0 MPa

      适用温度: -29~350℃

      适用介质:各类酸碱盐气体、液体、高温蒸汽、泥浆和灰渣

      主体材料:内衬陶瓷/壳体碳钢、不锈钢

      连接形式:法兰


产品概述

陶瓷蝶阀可广泛应用于石化、冶金、造纸、电站、炼油、煤炭等行业的各类酸碱盐气体、液体、高温蒸汽、泥浆和灰渣输送系统中作调节流量或切断介质。驱动方式有手动、气动、电动等。其较高的运行经济性得到了国内外许多工矿企业的青睐。


结构特点


1、陶瓷蝶阀采用偏心结构组成,减少运动部分的摩擦;

2、结构紧凑、体积小、重量轻、操作灵活、启闭力矩小、省力节能。

3、适用于较恶劣工况,成本低,使用寿命长,性价比高;

4、具有优良的耐腐蚀、耐高温、耐磨损、耐冲蚀、防磁及防静电等特点。

5、根据不同的工况,搭配不同材质的阀门零部件;

6、具备手动、气动、电动等不同驱动方式,型号齐全,满足不同客户需求;

7、适用范围广,在硬颗粒场合更能体现它的优越性,钢铁制造、矿业等行业合适。