陶瓷阀门

陶瓷偏心半球阀

陶瓷偏心半球阀

产品详情

技术参数

      产品型号:BPQ340TC

      公称通径:DN50~300mm 

      公称压力:PN1.6MPa 

      连接方式:法兰 

      适用介质:钢铁业,洗选矿、电站、除灰等行业,矿料浆液,灰渣浆液等介质 

      适用温度:-29℃~121℃ 

      阀门制造:GB/T 12224

      法兰标准:GB/T9113

      阀门试验:GB/T 9092


产品概述

陶瓷偏心半球阀利用偏心阀体、偏心球体、阀座,阀杆作旋转运动时在共同轨迹自动定心,关闭过程中越关越紧,完全达到良好的密封目的。阀门的球体和阀座完全脱离,消除了密封圈的磨损,克服了传统球体阀座与球体密封面始终磨损的问题,非金属弹性材料被嵌入金属座中,阀座金属面受到良好的保护。特别适用于钢铁业,洗选矿、电站、除灰等行业,矿料浆液,灰渣浆液等介质。

阀门的阀座和半球体的密封面均采用工程陶瓷、硬度高、耐冲蚀、寿命长。适用于含有粉状颗粒的固液混合介质,作启闭用;半球体为固定球式,刚性好。形状为V形半球,体积小,重量轻; 阀座密封面与半球密封面间距具有可调性,故阀门在使用一定时间后,密封面间距可再进行调整,延长阀门寿命;阀门在全开时,阀体通道完全畅通,介质流阻小。

<strong><strong><strong>PQ340TC陶瓷偏心半球阀</strong></strong></strong>



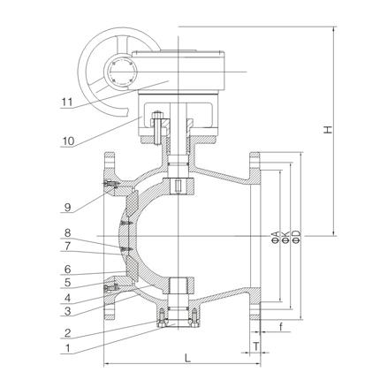
主要外形和连接尺寸


PN(Mpa)

DN(mm)

H

L

D

D1

D2

n-d

C

F

1.6

50

230

124

165

125

100

4-Φ18

16

3

65

237

145

185

145

120

4-Φ18

18

3

80

260

165

200

160

135

8-Φ18

20

3

100

270

194

220

180

156

8-Φ18

20

3

125

320

210

250

210

185

8-Φ22

22

3

150

340

229

285

240

211

8-Φ22

26

3

200

390

243

340

295

265

8-Φ23

26

3

250

420

297

405

355

319

8-Φ26

30

3

300

510

338

460

410

375

8-Φ26

30

4